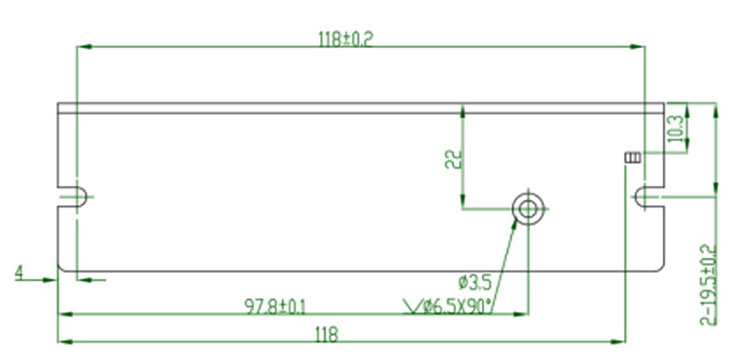
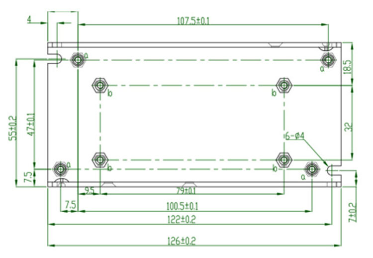
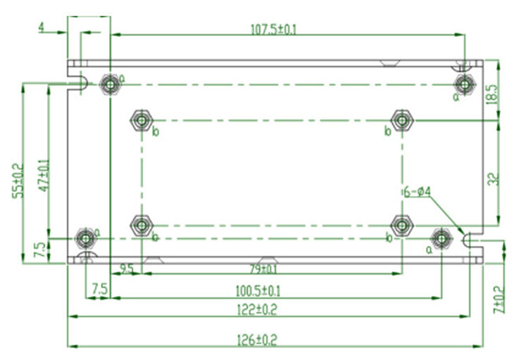
he Battery Management Unit( BMU) of Ghost BMS,
the Battery Control Unit( BCU) of Ghost BMS,
DC-DC module, so get 12V from battery pack.
Some users have their own relays/diodes/resistors, and they only need to purchase BCU and BMU,
If there is no 24V power supply, then purchase a DC-DC module to reduce the voltage of the battery pack to 24V


Contact:Shawn Xiao
Phone: +8613713704256
Email:sales@rjxzstech.com
Add:5D Buliding1,LongHua New District,ShenZhen City, GuangDong Province,China